Ningbo Richge Technology Co., Ltd.
Ningbo Richge Technology Co., Ltd.
Produkter
VBI-24 Fasta isoleringscylinder MV Vakuumbrytare
  • VBI-24 Fasta isoleringscylinder MV VakuumbrytareVBI-24 Fasta isoleringscylinder MV Vakuumbrytare
  • VBI-24 Fasta isoleringscylinder MV VakuumbrytareVBI-24 Fasta isoleringscylinder MV Vakuumbrytare

VBI-24 Fasta isoleringscylinder MV Vakuumbrytare

Model:VBI-24
VBI -serien inomhus vakuumbrytare är en ny generation av intelligenta vakuumbrytare. Dess levande komponenter, inklusive högpresterande vakuumavbrott och övre och nedre utgående terminaler, är inkapslade i epoxiharts efter terminaler. Denna design hjälper till att förhindra förorening på ytan av vakuumavbrottet, förbättra dess isoleringsegenskaper, mekanisk stabilitet och förlänga dess operativa livslängd. Operationsmekanismen för VBI-24 Sidmonterad Vakuumkretsbägar används fjäder för att lagra energi, som kan manövreras på två sätt, manuell eller elektrisk. Egenskaperna är i enlighet med GB1984-89, JB3855-96<10kv Indoor High Voltage Vacuum Circuit Breaker General Technical Specifications>, Relevanta bestämmelser i IEC56 -standarden. VBI-24 inomhus högspänningsvakuumbrytare är trefas AC 50Hz , nominell spänning på 24 kV inomhusanordning , för industri- och gruvföretag, kraftverk och transformatorstationer som elektrisk utrustningskontroll och skyddsändamål och för ofta drift av platsen.

VBI-24 Fasta isoleringscylinder MV Vakuumbrytare

   VBI-24-serie av inomhus högspänningsvakuumbrytare med inbäddade poler är tre fras A.C.50 Hz inomhuskraftsfördelning utrustning med den nominella spänningen på 24 KV.Det som används för att skydda och kontrollera den elektriska utrustningen inom industrins och gruvningsföretag, kraftverk och underkast.

   Den huvudsakliga ledande kretsen av denna typ vakuumkretsbrytare med vårmekanismen är inbäddad pol, som kan förbättra tillförlitligheten för isolering, mekaniska och brytande prestanda och verkligen inse den fria underhållet och längre mekaniska och elektriska livslängd. Vakuumkretsbrytaren överensstämmer med nationella standarder och bestämmelserna i IEC-standarden. Förmågan når betyg på M-E2-C2.

   Produkten används för många typer av switchgear som Kyn28-24 (GZS1) och kan vara fast installation.

  VBI-24 inomhus högspänningsvakuumbrytare är trefas AC 50Hz , nominell spänning på 24 kV inomhusanordning , för industri- och gruvföretag, kraftverk och transformatorstationer som elektrisk utrustningskontroll och skyddsändamål och för ofta drift av platsen.







Grundinformation.


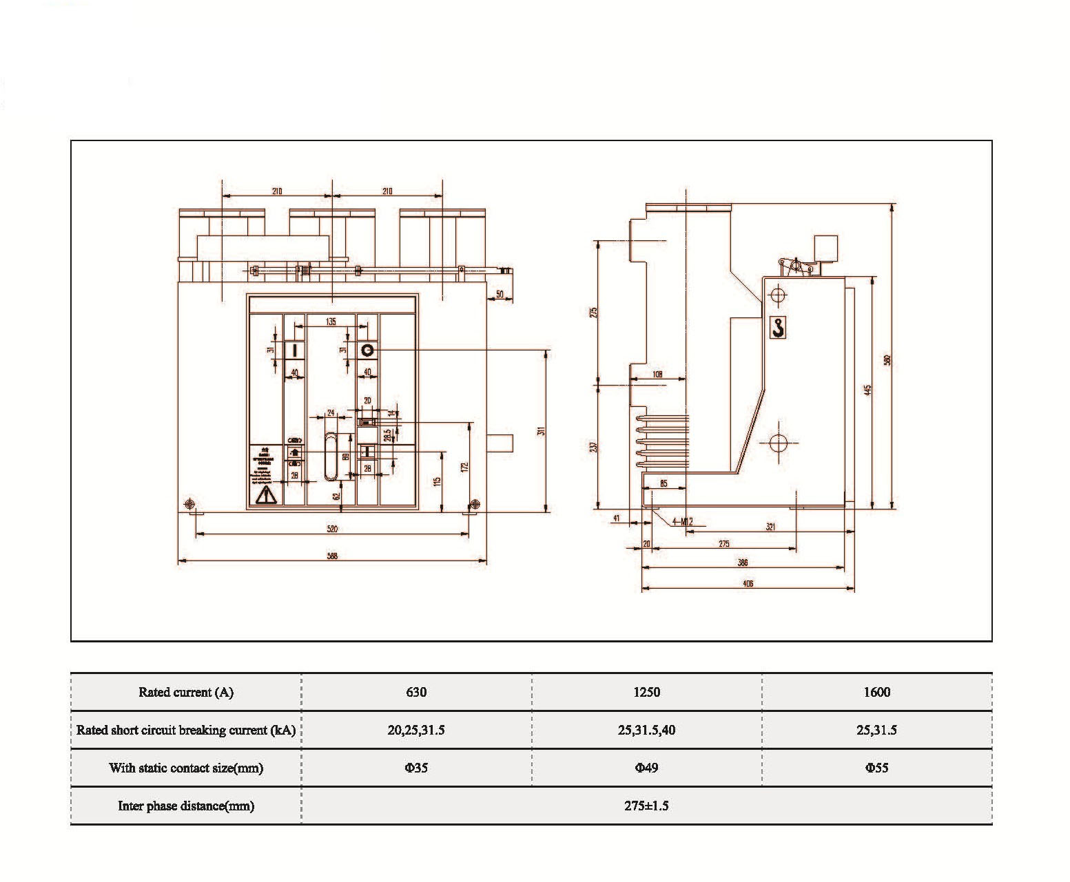
Tekniska parametrar




Tekniska ritningar

Vanliga frågor

F: Kan jag ha priser på dina produkter?

A: Välkommen. Skicka gärna förfrågan här. Vi kommer att svara dig inom 24 timmar.


F: Kan jag få ett prov före bulkordern?

S: Ja, vi välkomnar provorder för att testa och kontrollera kvalitet. Mixade prover är acceptabla.


F: Kan vi skriva ut vårt logotyp/ företagsnamn på produkter?

S: Ja, naturligtvis accepterar vi OEM och behöver sedan att du ger oss varumärkesbehörighet


F: Accepterar du produktanpassning?

S: Ja, naturligtvis, ge specifika ritningar eller parametrar, vi kommer att citera dig efter utvärderingen


F: Vad är ledtiden?

S: Ledningstiden beror på de beställda kvantiteterna, i allmänhet inom 7-20 dagar efter att ha fått betalningen.


F: Vad är dina handelsvillkor?

S: Vi accepterar EXW, FOB, CIF, FCA, etc.


F: Vad är din betalningsmetod?  

S: Vi accepterar T/T, Western Union, PayPal, Irrevocable L/C vid sikte, etc.


F: Kontrollerar du de färdiga produkterna?

S: Ja, varje produktionssteg och färdiga produkter kommer att komma ut inspektion av QC -avdelningen innan frakt. Och vi kommer att tillhandahålla varorinspektionsrapporter för din referens innan leverans


F: Hur löser jag kvalitetsproblemen efter försäljningen?

S: Ta bilder av kvalitetsproblemen och skicka till oss för att kontrollera och bekräfta, vi kommer att göra en nöjd lösning för dig inom tre dagar.




Fabrik


Certifikat




Hot Tags: VBI-24 Fast typisoleringscylinder MV Vakuumbrytare, Kina, tillverkare, leverantör, fabrik, lågt pris, kvalitet, senaste försäljning, avancerad
Skicka förfrågan
Kontaktinformation
För frågor om lågspänningsställverk, högspänningsisolatorer, högspänningsjordningsbrytare eller prislista, vänligen lämna din e-post till oss så hör vi av oss inom 24 timmar.
X
Vi använder cookies för att ge dig en bättre webbupplevelse, analysera webbplatstrafik och anpassa innehåll. Genom att använda denna sida godkänner du vår användning av cookies. Sekretesspolicy
Avvisa Acceptera