Ningbo Richge Technology Co., Ltd.
Ningbo Richge Technology Co., Ltd.
Produkter
ZN12-12 Series Integrated Column Switch Vacuum Circuit Breaker
  • ZN12-12 Series Integrated Column Switch Vacuum Circuit BreakerZN12-12 Series Integrated Column Switch Vacuum Circuit Breaker
  • ZN12-12 Series Integrated Column Switch Vacuum Circuit BreakerZN12-12 Series Integrated Column Switch Vacuum Circuit Breaker

ZN12-12 Series Integrated Column Switch Vacuum Circuit Breaker

Model:ZN12-12
Zn12-12-serien inomhus AC HV Vakuumkretsbrytare är inomhusutrustningen i tre faser AC 50Hz, nominell spänning på 12 kV, som introducerade tekniken från det tyska företaget. Det är lämpligt för område med alla typer av belastningar och ofta drift och kan användas för skydd och kontroll av industriella och gruv-, företags-, kraftverks- och transformatorstationer elektriska anläggningar. Denna produkt är i enlighet med relaterat krav på GB1984, JB3855, DL403 och IEC -standarder.

ZN12-12 Series Integrated Column Switch Vacuum Circuit Breaker

  Zn12-12 inomhus högspänning Vakuumkretsbrytare nominell spänning på 12 kV och följande inomhus högspänningsomkopplare, huvudsakligen installerad i fast switchear, för industri- och gruvföretag, kraftverk och transformatorstationer för skydd och kontroll av elektriska anläggningar, och är lämplig för att bryta viktiga belastningar och ofta drift av platsen!

  Zn12-serie Vakuumbrytare är inomhus högspänningsomkopplare med nominella spänningar på 12 kV, 24kV och 40,5 kV och trefas AC 50Hz. Det är en inhemsk produkt som utvecklats genom att introducera tyska Siemens 3AF -tekniken. Driftsmekanismen för brytaren är en vårenergilagringstyp, som kan drivas av AC eller DC eller manuellt. Kretsbrytaren har enkel struktur, stark brytningskapacitet, lång livslängd och kompletta driftsfunktioner. Och det finns ingen fara för explosion, och underhållet är enkelt. Det är lämpligt för kontroll- eller skyddsbrytaren för kraftöverföring och distributionssystem som kraftverk, transformatorstationer och industri- och gruvföretag, särskilt lämpliga för att bryta viktiga belastningar och ofta driftsplatser. Installationsformen för brytaren i omkopplarskåpet kan vara antingen en fast typ eller en uttagbar typ brytare. Denna produkt uppfyller relevanta standarder som GB1984, JB3855 och IEC62271-100 “Högspänning AC-brytare”.


Fördelar:

1. Brottsbrytaren godkände bedömningen av maskinministeriet och ministeriet för elkraft i augusti 96: e, vilket innebär att kvaliteten är absolut garanterad.

Kretsbrytarmekanismen är integrerad med omkopplaren, och den speciella mekanismen för lagring av vårenergi kan manövreras genom AC och DC Energy Storage eller manuellt manövreras.

Med enkel struktur, stark brytningskapacitet, lång livslängd, kompletta driftfunktioner, ingen explosionfar och enkel underhåll, är denna brytare lämplig för kontroll- eller skyddsomkopplare för kraftöverföring och distributionssystem som kraftverk, stadens kraftnät, transformatorstation, etc. Det är särskilt lämpligt för att bryta viktiga belastningar och platser med ofta drift.


Drag:

1. Den brytande kapaciteten för den bågesläckningskammaren är hög, den nuvarande bärkapaciteten är låg och den elektriska livslängden är lång.

2. Layout är från fram till bak, enkel och kompakt struktur, fullständig drift och enkelt underhåll.

3. För att strukturera och installera kan de delas in i: horisontell fast typ, lutande fast typ, mellanuppsättning rörlig typ.






Grundinformation.



Tekniska parametrar



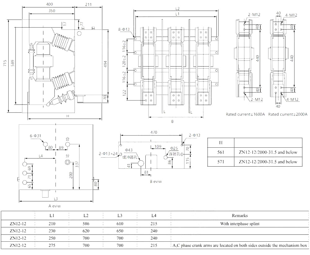
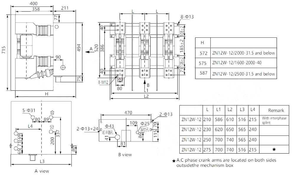
Tekniska ritningar


Användningsförhållanden för Zn12-12 Integrerad kolonnomkopplare Vakuumbrytare1. Höjd: ≤1000 m; (Prototypens höjd kan nå under 4000 meter)

2. Omgivningstemperatur: högsta +40 ° C, lägsta -25 ° C;

3. Relativ luftfuktighet: Dagligt genomsnitt inte mer än 95%, månatligt genomsnitt inte mer än 90%;

4. Jordbävningsintensitet: mindre än 8;

5. Installationsmiljö: Ingen brand, explosionsrisk, ingen frätande gas och ingen våldsam vibrationsplats.

6. Vänligen kontakta vakuumbrytaren om användningsmiljön överstiger ovanstående.




Vanliga frågor

F: Kan jag ha priser på dina produkter?

A: Välkommen. Skicka gärna förfrågan här. Vi kommer att svara dig inom 24 timmar.


F: Kan jag få ett prov före bulkordern?

S: Ja, vi välkomnar provorder för att testa och kontrollera kvalitet. Mixade prover är acceptabla.


F: Kan vi skriva ut vårt logotyp/ företagsnamn på produkter?

S: Ja, naturligtvis accepterar vi OEM och behöver sedan att du ger oss varumärkesbehörighet


F: Accepterar du produktanpassning?

S: Ja, naturligtvis, ge specifika ritningar eller parametrar, vi kommer att citera dig efter utvärderingen


F: Vad är ledtiden?

S: Ledningstiden beror på de beställda kvantiteterna, i allmänhet inom 7-20 dagar efter att ha fått betalningen.


F: Vad är dina handelsvillkor?

S: Vi accepterar EXW, FOB, CIF, FCA, etc.


F: Vad är din betalningsmetod?  

S: Vi accepterar T/T, Western Union, PayPal, Irrevocable L/C vid sikte, etc.


F: Kontrollerar du de färdiga produkterna?

S: Ja, varje produktionssteg och färdiga produkter kommer att komma ut inspektion av QC -avdelningen innan frakt. Och vi kommer att tillhandahålla varorinspektionsrapporter för din referens innan leverans


F: Hur löser jag kvalitetsproblemen efter försäljningen?

S: Ta bilder av kvalitetsproblemen och skicka till oss för att kontrollera och bekräfta, vi kommer att göra en nöjd lösning för dig inom tre dagar.




Fabrik


Certifikat




Hot Tags: ZN12-12 Series Integrated Column Switch Vacuum Circuit Breaker, Kina, tillverkare, leverantör, fabrik, lågt pris, kvalitet, senaste försäljning, avancerad
Skicka förfrågan
Kontaktinformation
För frågor om lågspänningsställverk, högspänningsisolatorer, högspänningsjordningsbrytare eller prislista, vänligen lämna din e-post till oss så hör vi av oss inom 24 timmar.
X
We use cookies to offer you a better browsing experience, analyze site traffic and personalize content. By using this site, you agree to our use of cookies. Privacy Policy
Reject Accept